
一、引言
接地线是电力系统最重要的“安全屏障”,其主要功能是在故障情况下为短路电流提供低阻抗泄放通道,保障设备和人员安全。接地电阻超标会直接导致防雷保护失效、设备外壳带电、继电保护误动作等严重后果。



本文从电力行业的实际应用场景出发,分层次详解万用表检测接地电阻的基础原理、三极法与钳形法的实操步骤以及行业专用的四线法高精度检测技巧,兼顾新手入门与专业需求,帮助不同基础的从业者快速掌握接地电阻好坏判断的核心要领。
二、前置准备
2.1 电力行业接地电阻检测核心工具介绍
基础款(新手入门适配):
指针式/数字式接地电阻测试仪(接地摇表) :传统手摇式(如ZC-8型)现已基本退出主流,普及的是指针式或数字式接地电阻表。适合小型配电房、独立接地体的快速初筛检测,量程通常覆盖0~1000Ω-21。
普通数字万用表:仅能用于接地导通性的粗略判断(测量地线与设备外壳之间的直流电阻是否小于0.1Ω),无法直接测量接地电阻值,仅作辅助检查工具。
辅助电极:接地测试桩两根(长度约0.5m,材质为镀锌钢或不锈钢),配套测试线若干。
专业款(适配变电站/配电房批量检测、高精度校验场景):
钳形接地电阻测试仪:无需打桩放线,直接钳住接地引下线即可在线测量回路电阻。适用于有架空地线的高压线路杆塔、多接地点并联系统。近年来微处理器控制的钳形仪已可自动检测地网干扰电压、干扰频率,并具备数值保持等智能功能-24。但需注意:测量时待测杆塔只允许存在一条接地引下线-24。
四线法接地电阻测试仪:采用四根测试线分别注入电流和采集电压,可有效消除引线电阻和接触电阻的影响,测量精度最高,符合IEC 61557标准要求-3。Fluke 1625-2、Megger DET24C等专业设备支持0.01Ω~20kΩ宽量程测量-5。
异频接地电阻测试仪:采用变频法(如16Hz/64Hz/128Hz自动切换)测量接地电阻,可有效排除工频干扰和杂散电流影响,适用于强电磁环境(如变电站内)的精准测量-。
回路阻抗分析仪:用于测试接地回路的阻抗特性,精度可达1% rdg,适配电力系统工频特性测试-12。
工具选择建议:独立接地体检测优先选用三极法或四线法,多接地系统在线检测首选钳形法;变电站、发电厂等强干扰环境必须使用异频法或四线法以保障精度。
2.2 电力行业接地电阻检测安全注意事项
⚠️ 重中之重:
必须断电隔离:测量前需确认被测接地线对应的设备已完全停电,拆除接地干线与接地体的连接点,或拆开接地干线上所有接地支线的连接点,严禁在设备带电状态下进行接地电阻测量-21。
高压防护不可疏忽:电力系统接地网可能存在感应电压或残余电荷,操作前必须使用验电器确认无电压,穿戴绝缘手套和绝缘鞋。现场测试人员应保持与带电设备的安全距离(根据电压等级确定)。
接地极安装符合规范:辅助电极必须打入土壤深度400mm以上,确保接触良好。接地极间距应符合标准要求——水平间距≥5m,垂直间距≥3m-2。
测试线选用与检查:测试线应采用足够截面的绝缘导线(建议≥1.5mm²),使用前检查有无破损、断股。接线端子接触良好,连接牢固。
环境条件要求:应避免在雷电天气、强电磁干扰环境下进行测量。测量现场应无强震动和明显的工频干扰源-1。
2.3 接地电阻基础认知(适配电力行业精准检测)
接地电阻是指埋入地下的接地体电阻与土壤散流电阻的总和,其数值大小直接决定了接地系统的泄流能力-21。在实际电力工程中,需理解以下核心概念:
关键参数认知:
工频接地电阻:采用工频电流(50Hz)测量的接地电阻值。依据GB/T 50065标准,变电站接地网工频接地电阻一般要求≤0.5Ω,配电房≤4Ω,低压系统≤4Ω-5-16。
冲击接地电阻:采用雷电流波形(如8/20μs)模拟测量,通常要求≤10Ω-5。
导通电阻(过渡电阻) :接地连接点之间的电阻值,合格标准为≤0.1Ω(一般要求)或≤0.05Ω(高要求场景),反映接地路径的连续性-2-12。
结构类型特点:
垂直接地体:角钢、钢管、圆钢等打入地下,一般深度2.5~3m。
水平接地体:扁钢、圆钢等埋设于地下0.6~0.8m深处,构成接地网的主体。
接地引下线:连接设备与接地体的导线段,易发生锈蚀断股。
理解以上基础参数,是后续精准检测的前提——不同场景下判断“合格”与否的标准差异显著,检测时务必参照对应行业标准。
三、核心检测方法
3.1 接地电阻基础检测法(电力行业新手快速初筛)
对于变电站、配电房现场的快速初筛,或新手入门练习,可采用以下基础方法判断接地系统是否存在明显故障:
第一步:外观检查
目视检查接地引下线有无锈蚀、断裂、松动,连接点螺栓是否拧紧。软铜线有无裸露、螺母有无松脱,接地排表面是否有氧化腐蚀痕迹-1。对于接地线截面积,铜质材料一般要求≥25mm²-5。
第二步:导通性测试(使用万用表电阻档)
将万用表调至电阻档(通常选择200Ω档),红黑表笔分别接触接地引下线与被测设备外壳(或相邻接地桩)。正常导通状态下,读数应小于0.1Ω。若读数无穷大或明显偏高(>1Ω),说明接地路径存在断路或接触不良-3。
⚠️ 特别注意:万用表只能判断导通性,无法准确测量接地电阻值。接地电阻的真实值需要通过专业接地电阻测试仪测量。
第三步:简易摇表初测(适用于独立接地体)
使用接地摇表(如ZC-8型)进行初步测量:将两根接地棒分别插入地面400mm深,一根离接地体40m远(C极),另一根离接地体20m远(P极)-21。按“E(接地体)-P(电位极)-C(电流极)”的顺序接线-21。以约120转/分钟的速度均匀摇动摇表,调节微调拨盘使指针居中后读数。若读数明显超过行业标准(如变电站接地网>0.5Ω或配电房>4Ω),则需进一步用专业仪器复测-21。
此方法适用于:独立小型接地体快速初筛、野外临时接地检查、新手入门练习。对于大型接地网或高精度要求的检测,必须采用下文的三极法或钳形法。
3.2 三极法(电位降法)检测接地电阻(电力行业新手重点掌握)
三极法是接地电阻检测中最经典、应用最广泛的方法,也是GB/T 17949.1和DL/T 475-2017等行业标准所推荐的标准测量方法-2-11。新手建议重点掌握此方法。
🔧 所需设备:数字式接地电阻测试仪(如Fluke 1625-2或同等型号)、辅助地桩C和P各一根、测试线(40m、20m、5m各一根)。
📋 操作步骤:
第一步:场地勘察与辅助电极布置
选择土壤均匀、无明显杂散电流的区域进行测量。
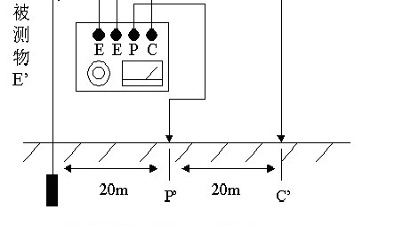
将电流极C打入距离被测接地体E约40m处,电位极P打入距离E约20m处,三点成一直线(直线法)-21。
若受地形限制无法满足40m/20m距离,可采用三角形布置法(C极和P极夹角约30°),但需确保辅助电极间距满足水平间距≥5m/垂直间距≥3m的最低要求-2。
第二步:接线操作
E接线柱接被测接地体E′(用5m导线连接)。
P接线柱接20m处的电位极P′(用20m导线连接)。
C接线柱接40m处的电流极C′(用40m导线连接)-21。
接线前需清除接线端表面的氧化层或油漆,确保接触良好。
第三步:仪器设置与测量
根据预估的接地电阻值选择合适的量程(通常从最小量程开始逐步上调)。
开启测试仪,按照仪器说明进行测量。数字式仪器会自动显示接地电阻值。
若使用指针式摇表,需以约120转/分钟匀速摇动摇柄,同时调节测量盘直至指针居中,读取显示值-21。
第四步:结果判断(行业适配标准)
| 应用场景 | 工频接地电阻合格标准 | 参考依据 |
|---|---|---|
| 变电站接地网 | ≤0.5Ω | DL/T 475-2017、GB/T 50065-16 |
| 配电房 | ≤4Ω | GB/T 50065-16 |
| 低压系统 | ≤4Ω | GB/T 21431-5 |
| 一类建筑防雷 | ≤4Ω | GB 50057-2 |
| 通信基站 | ≤10Ω | 行业标准-4 |
第五步:复测验证
为保证测量结果的可靠性,应改变辅助电极方位(如将P、C极旋转90°)重新测量,取几次测得值的平均值作为最终接地电阻值-21。多次测量值的偏差应控制在±5%以内。
实用技巧:对于已运行多年的变电站接地网,检测前应预估土壤干燥程度对电阻值的影响。冻土地区或干旱季节测量时,需加测季节系数修正值-16。
3.3 钳形法检测接地电阻(电力行业专业在线检测)
钳形接地电阻测试仪在电力线路杆塔、通信基站、多接地系统等场景中应用广泛,因其无需打桩放线、可在线测量,极大提升了检测效率。但需注意钳形法的原理限制:它测量的是回路系统的环路电阻值,而非单一接地体的对地电阻-24。
🔧 所需设备:钳形接地电阻测试仪(如UT278B等钳形表)、配套钳口(必须与主机配套使用)。
📋 操作步骤:
第一步:现场评估与准备
确认待测杆塔或接地系统存在闭合回路(钳形法测量需要回路才能形成电流)-。
检查被测接地引下线表面是否清洁,如有锈蚀或油漆需打磨干净,以保证钳口接触良好。
重要:如各塔脚的地网不连通,应将其余各脚的接地引下线拆开,用临时线与测量脚的引下线连通(连通点在钳表下方)-27。
第二步:钳口检查与清洁
检查钳口铁芯接触面的清洁度,被污染的钳口会降低测量准确度。测试前用干净软布擦拭钳口-27。
第三步:钳入测量
将钳形表钳口张开,钳入被测接地引下线,确保钳口完全闭合、无卡壳现象。钳口和主机必须为配套使用,不得混用不同主机的钳口-27。
第四步:读取与判断
启动测量,仪器自动显示环路电阻值。判断标准:
对于有架空地线的输电线路杆塔,钳形法测得值应低于规定限值。
若测得值明显高于标准,需进一步用三极法复测以确认是否为单点接地不良。
第五步:接地电压检测(可选辅助检测)
到达现场后,可先使用钳形表检测地排对大地的接地电压,判断是否存在干扰电压影响测量精度。若接地电压较高,需先排查干扰源或改用异频法测量-。
⚠️ 钳形法适用场景与限制:
✅ 适用于:有闭合回路的多接地系统(输电线路杆塔、通信基站地网)、在线不停电检测。
❌ 不适用于:完全独立的单一接地体(无回路)、强电磁干扰严重的变电站主地网(需使用异频法或四线法替代)。
3.4 四线法检测接地电阻(电力行业高精度检测进阶)
四线法是接地电阻检测中精度最高的方法,广泛应用于变电站接地网验收、高要求电力工程的精准测量。其原理是将电流注入回路和电压测量回路分开,彻底消除测试线电阻和接触电阻的影响-3。
🔧 所需设备:四线法接地电阻测试仪(如Fluke 1625-2、Megger DET24C等)、辅助地桩C1、C2、P1、P2各一根。
📋 操作步骤:
第一步:辅助电极布置
电流极C1、C2打入距离被测接地体适当位置(一般C2在更远处),电压极P1、P2打入C1与C2之间。
四极布置应采用温纳四极法(Wenner Array),电极间距相等且大于接地体对角线长度的5倍-2。
所有辅助电极均需打入土壤深度400mm以上。
第二步:接线
电流输出端(C1、C2)分别连接至两个电流极。
电压测量端(P1、P2)分别连接至两个电位极。
接地体端连接至仪器E端。
注意:电流线与电压线不得交叉或缠绕,以防止互感干扰。
第三步:测量与记录
开启测试仪,仪器自动输出测试电流(典型值20A~50A,高要求场景可达100A),测量电压降后自动计算接地电阻-12。记录测量值。
第四步:结果判断
四线法测得的接地电阻值精度最高,可作为接地系统性能评估的最终依据。合格标准参照三极法表格中的场景要求。
第五步:跨步电压与接触电压测试(进阶补充)
大型接地网检测除了接地电阻外,还需测量地面电位分布:跨步电压(人员在地面行走时两脚间的电位差)应≤40V;接触电压(设备外壳与地之间的电压)需在安全限值内-16。使用专用跨步电压测试仪,模拟故障电流注入接地网,沿地面测量电位梯度。
🎯 应用场景定位:
新手:先掌握三极法作为基础。
专业质检人员:四线法是变电站、发电厂等高要求场景的必备技能。
在线不停电检测:选择钳形法。
强干扰环境:选择异频法或四线法。
四、补充模块
4.1 电力行业不同类型接地体的检测重点
变电站接地网
检测核心:整体接地电阻值(≤0.5Ω)及接地网完整性。
检测重点:采用三极法或四线法测量整体接地电阻,并用接地电阻测试仪测相邻接地桩间导通电阻(≤100mΩ为合格)-16。
特殊注意:大型接地网的辅助电极需布置在接地网对角线长度的5倍以外,同时需加测跨步电压和接触电压。
输电线路杆塔接地体
检测核心:各塔脚独立接地电阻值及接地引下线导通性。
检测重点:钳形法为首选在线检测方法;如各塔脚地网不连通,需逐脚检测-24。
特殊注意:杆塔位于山区或干燥地区时,接地电阻易随季节波动,需加测季节系数修正。
配电房/通信基站接地体
检测核心:接地电阻值(配电房≤4Ω,通信基站≤10Ω)及等电位连接导通性-4。
检测重点:三极法最为适用,重点关注接地引下线与设备外壳之间的导通性。
特殊注意:通信基站对环境干扰敏感,建议在无强射频干扰时段测量。
工业设备静电接地
检测核心:静电泄放路径的导通电阻(通常要求≤1Ω)。
检测重点:四线法或微欧计测量,重点关注设备外壳与接地端子间的接触电阻。
特殊注意:设备运行中接地线可能受机械振动影响而松动,需定期复检。
4.2 电力行业接地电阻检测常见误区(避坑指南)
❌ 误区1:用万用表直接测量接地电阻
万用表电阻档的测试电流极小,无法模拟故障电流下接地体的真实散流特性,测得值远大于真实接地电阻,导致误判。正确做法:必须使用专用接地电阻测试仪。
❌ 误区2:钳形表测出的值就是接地电阻
钳形表测量的是回路系统的环路电阻,包含接地体电阻、土壤电阻和回路中其他连接点电阻。对于多接地系统,测得的环路电阻可能远小于单一接地体的实际对地电阻。必须结合三极法交叉验证-24。
❌ 误区3:忽略土壤电阻率的影响
接地电阻与土壤电阻率成正比。同一接地体在湿润土壤中可能合格,在干旱季节就可能超标。专业检测应同步测量土壤电阻率,并根据季节系数进行修正-16。
❌ 误区4:辅助电极布置不当仍勉强测量
当辅助电极间距不足或布置方向受地形限制时,测得的接地电阻值可能偏差数倍。标准要求电流极距接地体≥40m,电位极距≥20m,严禁为图省事缩短间距-21。
❌ 误区5:忽略接地引下线腐蚀对测量结果的影响
接地引下线锈蚀或连接点松动会导致导通电阻急剧升高,但单独测量接地体电阻可能仍合格。必须同步测量接地引下线的导通电阻,判断是否存在“断线式”故障。西南某发电厂事故正是因40mm×4mm扁铁接地引下线锈蚀爆断,导致中性点接地失败-30。
❌ 误区6:潮湿天气测得的合格值等于常年安全值
土壤含水量对接地电阻影响巨大,雨天测得的电阻值可能比旱季低数倍。验收检测应在干燥季节或土壤自然状态下进行,避免“雨季合格、旱季超标”的安全隐患。
4.3 电力行业接地电阻失效典型案例(实操参考)
案例一:西南某发电厂接地引下线锈蚀爆断事故
故障现象:某发电厂3号主变220kV侧中性点接地闸刀位置指示器冒烟、外罩冲出,中性点接地闸刀处弧光很大,中性点位移电压高达29.08kV,直流电源总保险熔断,继电保护失效,故障不能自动切除,造成设备重大损坏-30。
检测过程:事故后勘察发现,该线路A相瓷瓶串闪路后,3号主变220kV侧中性点接地闸刀接地引下线40mm×4mm扁铁设计截面过小,又未及时改造,在入地处严重锈蚀。故障电流下瞬间将锈蚀处爆断。根据自动故障录波仪记录,事故前曾发生线路闪络自动熄弧现象,爆断很可能在事故前即已发生-30。
经验教训:接地引下线设计必须满足热稳定校验,截面不能过小;沿海等腐蚀性大的地区至少每4年进行一次接地网的防腐维护;对接地网(线)进行全面开挖检查,将接地截面扩增至60mm×5mm,采取镀锌或除锈措施-30。
案例二:10kV接地故障致开关柜过电压跳闸
故障现象:某10kV馈线线路A相接地,B、C相电压升高。15板(1号电容器)因弧光过电压,母线室内相间绝缘击穿,并迅速发展为三相短路,电弧漂移造成母线室背部挡板和下挡板烧蚀-。
检测过程:现场勘察确认事故起因系1号环网柜912间隔V相电缆T型终端护套绝缘击穿,继而引发W相击穿并形成V、W相间短路。录波数据显示短路电流峰值高达9520A,设备重度烧毁-35。
经验教训:电缆终端绝缘老化检测不可忽视;接地保护装置需定期检测绝缘性能;接地系统完整性检测应覆盖所有连接点。
📌 案例启示:
接地引下线锈蚀是隐蔽而致命的安全隐患,需定期检测导通电阻并检查外观。
单纯测量接地体电阻不足以评估整个接地系统的安全性,必须同步检测引下线、连接点的导通性。
接地设计阶段必须考虑热稳定校验,确保截面能够承受最大故障电流。
定期检测与维护是防止接地失效的根本措施。
五、结尾
5.1 接地电阻检测核心(电力行业高效排查策略)
分级检测策略(按检测需求选择方法):
| 检测需求等级 | 推荐方法 | 适用场景 | 精度 | 效率 |
|---|---|---|---|---|
| 快速初筛 | 基础导通检测+外观检查 | 日常巡检、目视排查 | 低 | 高 |
| 日常运维 | 三极法(接地摇表) | 配电房、独立接地体 | 中 | 中 |
| 在线监测 | 钳形法 | 输电杆塔、多接地系统 | 中 | 很高 |
| 工程验收/专业检测 | 四线法/异频法 | 变电站地网、高精度场景 | 很高 | 低 |
| 长期监控 | 在线监测系统 | 关键场所连续监测 | 高 | 自动 |
核心排查逻辑(电力行业标准流程):
第一步——安全确认:断电、验电、接地、隔离,确保检测环境安全。
第二步——外观与导通初筛:检查接地引下线锈蚀、断裂情况,用万用表测导通性(应<0.1Ω)。
第三步——按场景选择检测方法:独立接地体用三极法,多接地系统用钳形法,高精度用四线法。
第四步——结果判断与整改:参照行业标准(变电站≤0.5Ω、配电房≤4Ω、低压系统≤4Ω)判定合格与否-16-5。
第五步——复测验证:改变辅助电极方向复测,确保测量结果可靠。
测量接地电阻好坏的快速判断口诀:导通测通断,摇表测初值,三极定准确,钳形查在线,四线作终判,超限即整改。
5.2 接地电阻检测价值延伸(电力行业维护与采购建议)
日常维护技巧:
定期检测周期:变电站接地网建议每3~5年进行全面检测;输电线路杆塔每年检测一次;沿海腐蚀性大地区至少每4年进行一次接地网的防腐维护-30。
季节因素考量:在干燥季节检测,记录土壤含水量,建立接地电阻季节性变化曲线,用于预测雷雨季节的安全性。
外观定期检查:检查接地引下线有无锈蚀、断股,连接点螺栓有无松动。对镀锌层厚度进行抽检,镀锌层厚度应≥65μm-16。
导通性定期复测:使用微欧计或接地电阻测试仪,测量相邻接地桩间导通电阻,应≤100mΩ-16。
采购与校准建议:
接地电阻测试仪采购要点:根据使用场景选择——独立接地体选三极法数字摇表;多接地系统在线检测选钳形仪;强电磁环境选异频法或四线法仪表。仪器精度等级需满足GB/T 18216.5等标准要求。
定期校准:接地电阻测试仪需每年送检一次,由具备资质的计量机构校准,确保测量误差≤±5%-。
辅助电极与测试线选型:辅助电极选用镀锌钢或不锈钢材质,长度≥0.5m;测试线选用铜芯软线,截面≥1.5mm²,长度满足40m和20m要求。
5.3 互动交流(分享电力行业接地电阻检测难题)
你在变电站、配电房或输电线路的接地电阻检测中,是否遇到过以下问题:
干燥季节测量值达标,雷雨季节却发生接地故障?
钳形法测得值和三极法测得值差异很大,不知该以哪个为准?
变电站内强电磁干扰导致读数跳动,如何精准测量?
接地引下线锈蚀严重但无法停电更换,如何临时处置?
欢迎在评论区分享你在电力行业接地电阻检测中遇到的实操难题和解决方案。关注本账号,获取更多电力设备检测与运维干货,每周更新行业实操指南,助力电力安全从业者高效排查隐患、精准评估设备状态。